深圳市规划和自然资源局罗湖管理局关于罗湖区怡景花园华景道5号危房重建设计方案的公示
日期: 2023-09-21 来源:
怡景花园凤凰村华景道5号位于宗地H220-0011。根据《中华人民共和国城乡规划法》、《深圳市危房重建规划管理规定》等相关规定,现予以公示。
一、公示内容
1、重建方案内容如下:
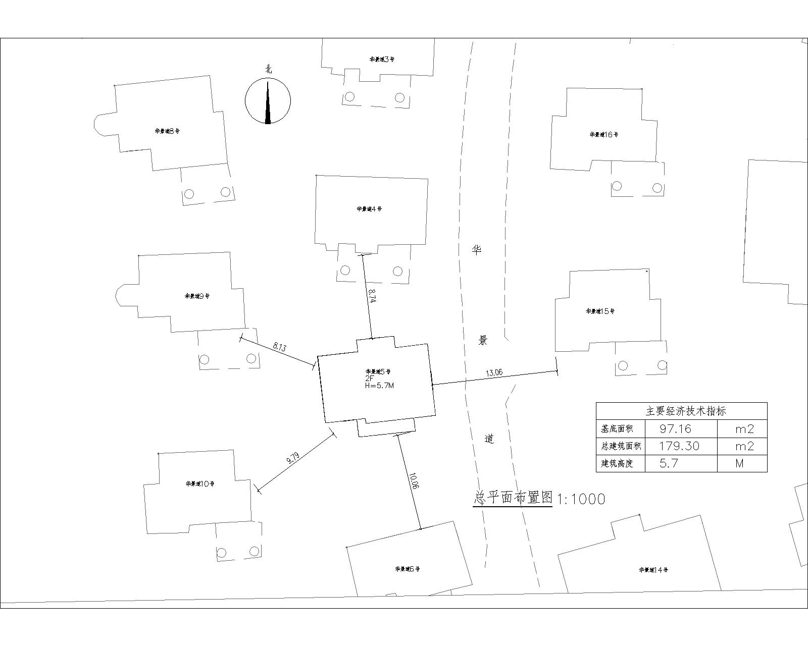
总建筑面积179.30平方米,建筑层数2层,建筑高度5.7米,建筑基底面积97.16平方米,重建建筑功能为原功能不变。
2、重建方案总平面图及效果图详见附图。
二、公示地点
(一)深圳市规划和自然资源局罗湖管理局
地址:罗湖区清水河街道清水河一路52号博隆大厦5楼
(二)项目现场
地址:罗湖区爱国路怡景花园华景道5号及怡景花园主要出入口
(三)深圳市规划和自然资源局门户网站
网址:http://pnr.sz.gov.cn
(四)深圳市规划和自然资源局罗湖管理局网站
网址:http://pnr.sz.gov.cn/luohu/
(五)深圳商报
三、公示时间
为期7个工作日,自2023年9月21日至2023年10月7日为止。
四、意见反馈
公示期内如对该事项有意见或建议,请使用真实姓名及联系方式以书面意见形式与深圳市规划和自然资源局罗湖管理局联系。
五、联系方式
深圳市规划和自然资源局罗湖管理局
联系人:赖工
联系电话:82348622
深圳市规划和自然资源局罗湖管理局
2023年9月21日
附图:1.重建方案总平面图
2.重建方案效果图(1)
3.重建方案效果图(2)
相关文档:
